
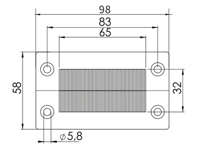
MTC-BES10 — Ввод щеточный кабельный 98 х 58
871,20руб. ₽
Описание
Технические характеристики
Щеточные кабельные вводы предназначены для защиты от проникновения пыли и мелких частиц внутрь шкафа. Обеспечивают частичную фиксацию кабеля, вводимого в шкаф. Конструкция состоит из двух частей, что позволяет монтировать кабельную продукцию с имеющимися разъемами, портами, коннекторами.
Преимущества
- Щеточный ввод подходит для монтажа нескольких кабелей с разными диаметрами
- Материалы, из которых сделан кабельный ввод, не подвержены коррозии и устойчивы к внешним воздействиям
- Нейлоновая щетка высокой плотности
- Простота в монтаже и использовании
- Экономия времени и места- скорость монтажа выше чем у стандартных сальников, экономия места составляет до 50%
| Материал рамки | PA |
| Температура эксплуатации | от -20 до 90℃ |
| Высота рамки | 10 мм |
| Длина х Ширина х Высота | 98 х 58 х 10 мм |
| Размер выреза | 36 х 65 мм |
| Степень защиты | IP20 |
Есть вопросы?
Оставьте заявку и мы свяжемся с вами!